TP 3 |
Moteur, relais et transistor en commutation sur Proteus 7 |
30/05/2026 |
Lisez l'intégralité de ces consignes avant de commencer à travailler :
Marquez TP3 et la date du jour sur la photocopie du TP ce qui vous permettra de ranger et de retrouver ultérieurement le document dans le classeur.
RAPPEL : la première étape d'un TP est la phase de lecture attentive du sujet en surlignant tous les points nouveaux ou importants qui seront à ajouter à votre fiche mémo de Proteus à la fin du TP.
Vous enregistrerez systématiquement vos schémas électriques dans votre classeur électronique dans le dossier correspondant au TP et dans un fichier portant le nom du montage ou du paragraphe selon le cas, même si ce n'est pas rappelé dans le TP papier. Pour cela connectez-vous maintenant à votre lecteur réseau ci ce n'est pas déjà fait.
Réalisez maintenant tout le travail demandé sur le TP papier après y avoir inscrit dessus le numéro du TP et la date. Lorsque vous en serez à l'application 5 page 8 vous reviendrez ici sur Gecif.net pour consulter les indices suivants (pour vous en rappeler marquez "Voir sur Gecif.net" au début de l'application 5 sur la page 8 du TP).
Montage de base pour l'application 5 page 8 :
Grâce à 2 capteurs de lumière (LDR1 et LDR2) on obtient 2 tensions variables : Vg qui donne une indication sur la lumière de gauche, et Vd pour la lumière de droite.
Les deux tensions Vg et Vd sont comparées grâce à un comparateur de tension pour savoir s'il y a plus de lumière à gauche ou à droite du panneau solaire. Et en fonction du résultat de la comparaison, le sens de rotation du moteur doit changer.
Le travail qu'il reste à faire sur ce montage de base est de relier la sortie du comparateur de tension au relais 2RT et de câbler le moteur au relais 2RT afin de répondre à la problématique de l'application 5 page 8.
N'hésitez pas à ajouter des voltmètres sur ce montage de base pour mesurer les différents potentiels (Vg, Vd, la sortie du comparateur, etc.).
Nouveaux composants pour résoudre le problème du montage 12 de l'application 5 page 8 :
Le problème du montage 12 est que le panneau solaire ne s'arrête jamais de tourner. Or, dans la pratique, si la quantité de lumière arrivant sur les deux capteurs est la même, cela signifie que le panneau est en face du soleil : dans ce cas il faut arrêter le moteur.
Pour résoudre ce problème et apporter au montage 12 les améliorations décrites en bas de la page 8 du TP, vous avez besoin des 2 nouveaux composants suivants à ajouter immédiatement à votre fiche mémo de Proteus :
Nom réel du composant |
Nom du composant dans Proteus |
Catégorie |
Bibliothèque |
| Un soustracteur de tension | OP : SUBTRACT | Laplace Primitives | LAPLACE |
| Un comparateur de tension à 3 niveaux | NL : SWITCH DZ | Laplace Primitives | LAPLACE |
Exemple d'utilisation du soustracteur :
Le composant OP : SUBTRACT effectue une soustraction entre deux tensions : il génère à sa sortie une tension égale à la différence des deux tensions d'entrée.
Par exemple, si on met 8 V sur l'entrée + du soustrateur et 3 V sur son entrée -, il génère une tension de 5 V à sa sortie car 8 - 3 = 5 :

Autre exemple d'utilisation du soustracteur :
Si on met 2 V sur l'entrée + du soustrateur et 6.5 V sur son entrée -, il génère une tension de -4.5 V à sa sortie car 2 - 6.5 = -4.5 :
Exemple d'utilisation du comparateur à 3 niveaux :
Le composant NL : SWITCH DZ est un comparateur de tension à 3 niveaux. Il possède :
Comme indiqué sur le symbole ci-dessus :
La tension d'entrée Ve est comparée aux 2 seuils vt- et vt+ afin de déterminer la valeur de la tension de sortie Vs :
Le 3ème niveau de sortie est forcément 0 V et n'est pas configurable.
Dans les propriétés du composant NL : SWITCH DZ :
Exemple d'utilisation du comparateur à 3 niveaux avec les valeurs ci-dessus (vt+=8V, vt-=4V, sat+=1V et sat-=-1V) :
Cas n°1 : la tension d'entrée (1.56 V) est inférieure au second seuil vt- (4 V) donc la tension de sortie vaut -sat (-1 V) :
Cas n°2 : la tension d'entrée (6.84 V) est comprise entre les 2 seuils vt- et vt+ (4 < 6.84 < 8) donc la tension de sortie vaut 0 V :

Cas n°3 : la tension d'entrée (9.6 V) est supérieure au premier seuil vt+ (8 V) donc la tension de sortie vaut +sat (1 V) :

Remarque : +sat n'est pas forcément une tension positive et -sat n'est pas forcément une tension négative. On peut par exemple configurer -sat et +sat à la même valeur :

Dans ces conditions :
Exemple :
Cas n°1 : la tension d'entrée (1.56 V) est inférieure au second seuil vt- (3.5 V) donc la tension de sortie vaut -sat (12 V) :

Cas n°2 : la tension d'entrée (5.28 V) est comprise entre les 2 seuils vt- et vt+ (3.5 < 5.28 < 6.5) donc la tension de sortie vaut 0 V :

Cas n°3 : la tension d'entrée (7.2 V) est supérieure au premier seuil vt+ (6.5 V) donc la tension de sortie vaut +sat (12 V) :

Conclusion : en plus de tous les composants que vous connaissez déjà, l'emploi de ces 2 nouveaux composants OP : SUBTRACT et NL : SWITCH DZ vous permettra de trouver la solution complète de l'application 5 de la page 8 en faisant en sorte que le panneau solaire s'arrête lorsqu'il est en face du soleil.
Le montage de base pour solutionner complètement la problématique de l'application 5 est le suivant :
Le soustracteur calcule la différence entre les tensions Vg et Vd, puis le comparateur 3 niveaux teste si cette différence est "relativement faible", afin d'arrêter la rotation du moteur par l'intermédiaire du relais 1RT.
Il vous reste à réfléchir comment connecter la sortie des comparateurs de tension et les bobines des relais afin que votre montage réponde au cahier des charges.
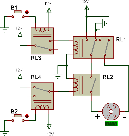
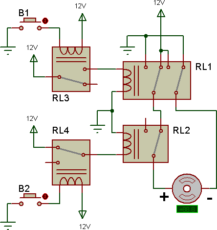
Autres exemples de câblage d'un moteur
Voici quelques exemples à tester dans Proteus utilisant les composants vus dans ce TP3 :




Et voici de nouveaux composants :
Composant |
Symbole |
Nom dans Proteus |
Emplacement dans Proteus |
un relais 1T |
![]() |
RLY-SPNO |
dans la catégorie Switches & Relays |
un relais 1RT |
![]() |
RLY-SPCO |
dans la catégorie Switches & Relays |
un relais 2RT |
![]() |
RLY-DPCO |
dans la catégorie Switches & Relays |
un relais 1RT animé |
![]() |
RELAY |
dans la catégorie Switches & Relays |
un relais 2RT animé |
![]() |
RELAY2P |
dans la catégorie Switches & Relays |
un moteur |
![]() |
MOTOR-DC |
dans la catégorie Electromechanical |
un bouton poussoir |
BUTTON |
dans la catégorie Switches & Relays |
|
un interrupteur |
SWITCH |
dans la catégorie Switches & Relays |
|
la masse |
GROUND |
dans le Mode terminal |
|
un point d'alimentation |
POWER |
dans le Mode terminal |
Remarque : les 3 premiers relais ne sont pas animés dans Proteus. Même s'ils passent en position de travail, leur symbole visuel restera en position de repos. Pour voir les relais chager de position il faut utiliser les composants animés RELAY et RELAY2P.
Voici comment créer un nouveau point d'alimentation à 12 V :


Exemples de câblages du moteur avec ces nouveaux relais :
Montage 1

Montage 2

Montage 3

Montage 4

Montage 5

Montage 6
Enfin, avec 4 interrupteurs, il est possible d'alimenter un moteur grâce à un "pont en H" :